链轮是一种带嵌齿式扣链齿的轮子,用以与节链环或缆索上节距准确的块体相啮合。短节距传动使用精密滚子链和链轮。 链轮跟链条是搭配使用的,06B链条就搭配配06B链轮,链条的规格代号(B系列:05B,06B,08B...)与链轮的规格代号相对应。 链轮被广泛应用于化工、纺织机械、自动扶梯,木材加工,立体停车库,农业机械,食品加工、仪表仪器、石油等行业的机械传动等。
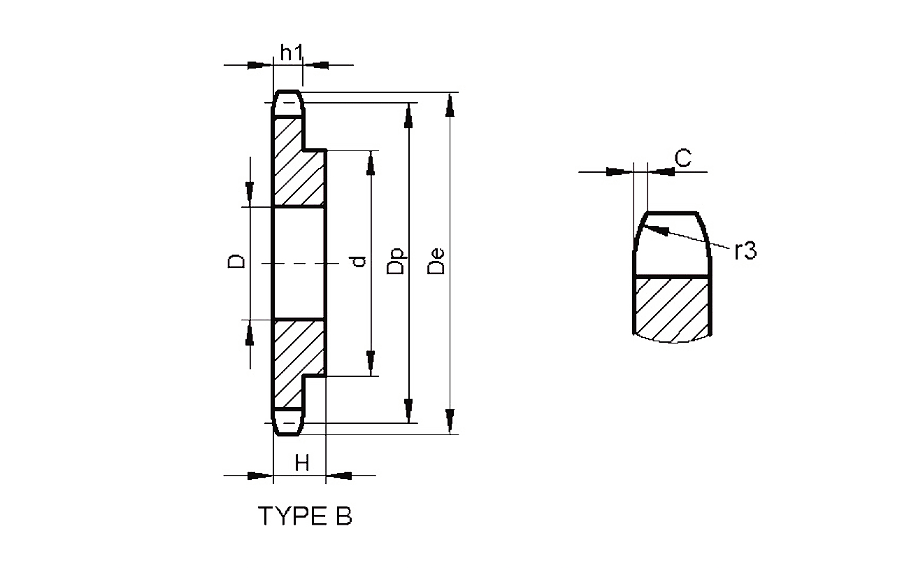
* 3D模型展示商品名称为:链号08B单排12齿B型台式欧标不锈钢预制孔链轮 08B-1B12
◆
品名:欧标不锈钢链轮
◆
材质:304
◆
Ⅰ、和齿轮传动比较,它可以在两轴中心相距较远的情况下传递运动和动力,能在低速、重载和高温条件下及灰土飞扬的不良环境中工作
◆
Ⅱ、和带传动比较,它能保证准确的平传动比,传递功率较大且作用在轴和轴承上的力较小,传遂效率较高,一般可达0.95-0.97


我们会在24小时内回复您
名字 *不能为空
邮箱 *邮箱格式不正确
公司名称不能为空
产品类别不能为空
指定发送 *不能为空
联系方式电话不能为空
留言不能为空
提交成功